TCU-Z-100-2-MV
ID 324798
- Workpiece weight: 15 kg
- Force Fz max.: 150 N
- Force Fd max.: 2000 N
Specifiche tecniche
| Verriegelung | mit Verriegelung |
|---|---|
| Härte des Elastomer [Shore] | 68.0 |
| Auslenkung X [°] | ± 1 |
| Auslenkung Y [°] | ± 1 |
| Auslenkung Z [°] | ± 1 |
| Wiederholgenauigkeit [mm] | 0.05 |
| Eigenmasse [kg] | 0.48 |
| Min. Betriebsdruck [bar] | 4.0 |
| Max. Betriebsdruck [bar] | 8.0 |
| Min. Umgebungstemperatur [°C] | -10.0 |
| Max. Umgebungstemperatur [°C] | 90.0 |
| Verriegelungsmoment Mx [Nm] | 10.0 |
| Verriegelungsmoment My [Nm] | 10.0 |
| Verriegelungsmoment Mz [Nm] | 20.0 |
| Verriegelungskraft Fz [N] | 150.0 |
| Max. Kraft Fd [N] | 2000.0 |
| Direktanschraubung an* | PZN-plus 100 |
| Durchmesser D [mm] | 100.0 |
| Höhe Z [mm] | 25.0 |
| Moment Mx max. [Nm] | 70.0 |
| Moment My max. [Nm] | 70.0 |
| Moment Mz max. [Nm] | 60.0 |
Dimensionen und max. Belastungen
Deflection
Lastdiagramm
Maximale Auslenkung
Dimensionen und max. Belastungen
Die angegebenen Kräfte und Momente sind Maximalwerte im entriegeltem Zustand und dürfen gleichzeitig auftreten. Im verriegeltem Zustand sind nur die Belastungen verursacht durch die Eigenmasse und Beschleunigungen zulässig.
Deflection
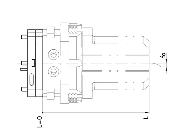
Deflection (fa) dependent upon the length (L) to the center of mass
Lastdiagramm
- Asse X:
- Max. Abstand
- Asse Y:
- Max. Handlinggewicht
Maximale Auslenkung
Auslenkung fa in Abhängigkeit der Länge L zum Ausgleichszentrum
General notes about the series
Harsh environmental conditions
Please note that use under harsh environmental conditions (e.g. in the coolant area, cast and grinding dust) can considerably reduce the service life of the units, and we will not take over any warranty. However, in many cases we can find a solution. Please contact us for assistance.
Handling weight
is the weight of the total load attached to the flange. When designing, the permissible forces and moments have to be paid attention to. Please note that exceeding the recommended handling weight will shorten the lifespan.
Monitoring
by magnetic switch
Actuation
pneumatic, with filtered compressed air as per ISO 8573-1:2010 [7:4:4].
Material
Elastomer material
Housing
Aluminum alloy
Scope of delivery
Robot-side mounting screws
Warranty
24 months